Hlavná stránka >
Jednosmerné motory s planétovou prevodovkou >
Séria PGS430
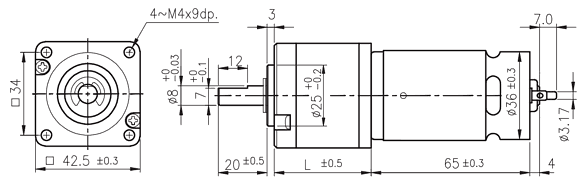
DC motor série PGS430 s planétovou prevodovkou
- Kvalitný jednosmerný komutátorový motor s uhlíkovými zberačmi
- Obsahuje filter potláčajúci elektromagnetické rušenie
- Obojsmerný, smer otáčania nastavíte zmenou polarity napájacieho napätia
- Planetová prevodovka s kovovými ozubenými koly
- Výstupný hriadeľ je uložený v guľôčkovom ložisku
- K dispozícii taktiež verzia s enkóderom
Vlastnosti motora s prevodovkou
| Prevodový pomer | 4:1 | 14:1 | 17:1 | 24:1 | 49:1 | 61:1 | 84:1 | 104:1 | 144:1 | 212:1 | 294:1 | 504:1 | 624:1 | 864:1 | |
|---|---|---|---|---|---|---|---|---|---|---|---|---|---|---|---|
| 12 V | Men. moment [kg-cm] |
1,0 | 3,0 | 3,6 | 5,2 | 9,2 | 11 | 15 | 19 | 20 | 25 | 25 | 30 | 30 | 30 |
| Men. otáčky [ot/min] |
1250 | 363 | 293 | 212 | 103 | 83,5 | 60,5 | 49,0 | 38,0 | 25,4 | 18,9 | 11,2 | 8,8 | 6,0 | |
| 24 V | Men. moment [kg-cm] |
0,9 | 2,6 | 3,1 | 4,5 | 8,0 | 10 | 14 | 17 | 20 | 25 | 25 | 30 | 30 | 30 |
| Men. otáčky [ot/min] |
1290 | 375 | 302 | 218 | 107 | 86,5 | 62,5 | 50,5 | 39,0 | 26,2 | 18,8 | 11,2 | 8,8 | 6,5 | |
| Hmotnosť [g] | 456 | 516 | 516 | 516 | 571 | 571 | 571 | 571 | 571 | 626 | 626 | 626 | 626 | 626 | |

Vlastnosti prevodovky
- Vôľa naprázdno ≤ 3 °
- Radiálne zaťaženie ≤ 8 kg (10 mm od príruby)
- Axiálne zaťaženie ≤ 3 kg
- Sila pri lisovaní na hriadeľ ≤ 15 kg
- Radiálna vôľa ≤ 0,05 mm
- Osová vôľa ≤ 0,3 mm
- Prevádzková teplota -10...60 °C
- Relatívna vlhkosť 20...85 %
| Prevodový pomer | 4:1 | 14:1 | 17:1 | 24:1 | 49:1 | 61:1 | 84:1 | 104:1 | 144:1 | 212:1 | 294:1 | 504:1 | 624:1 | 864:1 |
|---|---|---|---|---|---|---|---|---|---|---|---|---|---|---|
| Max. trvalý moment [kg-cm] |
4,0 | 8,0 | 8,0 | 8,0 | 15,0 | 15,0 | 15,0 | 20,0 | 20,0 | 25,0 | 25,0 | 30,0 | 30,0 | 30,0 |
| Účinnosť [%] | 80 | 70 | 70 | 70 | 60 | 60 | 60 | 60 | 60 | 50 | 50 | 50 | 50 | 50 |
| Dĺžka L [mm] | 26,1 | 32,8 | 32,8 | 32,8 | 39,5 | 39,5 | 39,5 | 39,5 | 39,5 | 46,2 | 46,2 | 46,2 | 46,2 | 46,2 |
Vlastnosti motora
| Men. napätie [V] | Men. moment [g-cm] | Men. otáčky [ot/min] | Men. prúd [mA] | Otáčky naprázdno [ot/min] | Prúd naprázdno [mA] | Men. výkon [W] |
|---|---|---|---|---|---|---|
| 12 | 320 | 5090 | ≤2100 | 6000 | ≤350 | 17,09 |
| 24 | 280 | 5250 | ≤900 | 6000 | ≤170 | 15,56 |

Vlastnosti enkodéra
- Magnetický enkodér s hallovými sondami
- Dva senzory vzájomne posunuté o 90 °
- 7 pulzov na otáčku motoru (PPR) a senzor
- Výstup je zapojený ako otvorený kolektor
- Napájacie napätie 3,5 až 20 V
- Dĺžka krytu enkodéra (D) 13,5 mm
- Ku konektoru ponúkame vhodné vidlice do plošného spoja