Hlavná stránka >
Jednosmerné motory s planétovou prevodovkou >
Séria PG421
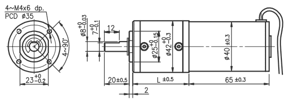
DC motor série PG421 s planétovou prevodovkou
- Kvalitný jednosmerný komutátorový motor s uhlíkovými zberačmi
- Obsahuje filter potláčajúci elektromagnetické rušenie
- Obojsmerný, smer otáčania nastavíte zmenou polarity napájacieho napätia
- Planetová prevodovka s kovovými ozubenými koly
- Výstupný hriadeľ je uložený v guľôčkovom ložisku
Túto sériu je možné dodať spolu s uhlovou prevodovkou
Vlastnosti motora s prevodovkou
| Prevodový pomer | 4:1 | 14:1 | 17:1 | 24:1 | 49:1 | 61:1 | 84:1 | 104:1 | 144:1 | 212:1 | 294:1 | |
|---|---|---|---|---|---|---|---|---|---|---|---|---|
| 12 V | Men. moment [kg-cm] | 1,3 | 4,0 | 5,0 | 7,0 | 12 | 15 | 18 | 20 | 20 | 25 | 25 |
| Men. otáčky [ot/min] | 930 | 265 | 210 | 150 | 76 | 61 | 45 | 37 | 27 | 18,5 | 14 | |
| 24 V | Men. moment [kg-cm] | 1,0 | 3,0 | 4,0 | 5,5 | 10 | 12 | 17 | 20 | 20 | 25 | 25 |
| Men. otáčky [ot/min] | 945 | 270 | 215 | 155 | 76 | 62 | 45 | 36 | 27 | 18,5 | 14 | |
| Hmotnosť [g] | 479 | 531 | 531 | 531 | 571 | 571 | 571 | 571 | 571 | 621 | 621 | |
| Prevodový pomer | 504:1 | 720:1 | 864:1 | 1062:1 | 1470:1 | 2500:1 | 3000:1 | 3600:1 | |
|---|---|---|---|---|---|---|---|---|---|
| 12 V | Men. moment [kg-cm] | 30 | 30 | 30 | 30 | 30 | 30 | 30 | 30 |
| Men. otáčky [ot/min] | 8,3 | 5,9 | 4,9 | 4,0 | 2,8 | 1,7 | 1,4 | 1,2 | |
| 24 V | Men. moment [kg-cm] | 30 | 30 | 30 | 30 | 30 | 30 | 30 | 30 |
| Men. otáčky [ot/min] | 8,3 | 5,9 | 4,9 | 4,0 | 2,8 | 1,7 | 1,4 | 1,2 | |
| Hmotnosť [g] | 621 | 621 | 621 | 666 | 666 | 666 | 666 | 666 | |

Vlastnosti prevodovky
- Vôľa naprázdno ≤ 3 °
- Radiálne zaťaženie ≤ 8 kg (10 mm od príruby)
- Axiálne zaťaženie ≤ 3 kg
- Sila pri lisovaní na hriadeľ ≤ 15 kg
- Radiálna vôľa ≤ 0,05 mm
- Osová vôľa ≤ 0,3 mm
- Prevádzková teplota -10...60 °C
- Relatívna vlhkosť 20...85 %
| Prevodový pomer | 4:1 | 14, 17, 24:1 | 49, 61, 84:1 | 104, 144:1 | 212, 294:1 | 504, 720, 864:1 |
1062, 1470, 2500, 3000, 3600:1 |
|---|---|---|---|---|---|---|---|
| Max. trvalý moment [kg-cm] | 3,0 | 8,0 | 18,0 | 20,0 | 25,0 | 30,0 | 30,0 |
| Účinnosť [%] | 80 | 70 | 60 | 60 | 50 | 50 | 40 |
| Dĺžka L [mm] | 32,5 | 39,2 | 45,9 | 45,9 | 52,6 | 52,6 | 59,6 |
Vlastnosti motora
| Men. napätie [V] | Men. moment [g-cm] | Men. otáčky [ot/min] | Men. prúd [mA] | Otáčky naprázdno [ot/min] | Prúd naprázdno [mA] | Men. výkon [W] |
|---|---|---|---|---|---|---|
| 12 | 430 | 3750 | ≤2000 | 4500 | ≤500 | 16,56 |
| 24 | 350 | 3800 | ≤820 | 4500 | ≤220 | 13,65 |
Rozmery uhlové prevodovky
