Hlavná stránka >
Jednosmerné motory s planétovou prevodovkou >
Séria PG300
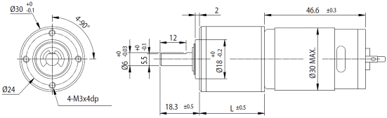
DC motor série PG300 s planétovou prevodovkou
- Kvalitný jednosmerný komutátorový motor s uhlíkovými zberačmi
- Obsahuje filter potláčajúci elektromagnetické rušenie
- Obojsmerný, smer otáčania nastavíte zmenou polarity napájacieho napätia
- Planétová prevodovka s kovovými ozubenými kolieskami (okrem prvého stupňa)
- Z dôvodu zníženia hlučnosti sú ozubená kolieska prvého stupňa prevodovky z plastu
- Výstupný hriadeľ je uložený v guľôčkovom ložisku
Vlastnosti motora s prevodovkou
| Prevodový pomer | 14:1 | 19:1 | 27:1 | 51:1 | 71:1 | 100:1 | 189:1 | 516:1 | 721:1 | |
|---|---|---|---|---|---|---|---|---|---|---|
| 12 V | Men. moment [kg-cm] | 1,1 | 1,5 | 2,1 | 3,4 | 4,7 | 6,6 | 10 | 10 | 10 |
| Men. otáčky [ot/min] | 430 | 310 | 221 | 117 | 83 | 60 | 32 | 13,2 | 9,6 | |
| 24 V | Men. moment [kg-cm] | 1,2 | 1,7 | 2,4 | 4,0 | 5,5 | 7,8 | 10 | 10 | 10 |
| Men. otáčky [ot/min] | 445 | 320 | 229 | 121 | 87 | 62 | 34,5 | 13,5 | 9,8 | |
| Hmotnosť [g] | 201 | 201 | 201 | 216 | 216 | 216 | 231 | 231 | 231 | |

Vlastnosti prevodovky
- Vôľa naprázdno ≤ 2,5 °
- Radiálne zaťaženie ≤ 3,5 kg (10 mm od príruby)
- Axiálne zaťaženie ≤ 2,5 kg
- Sila pri lisovaní na hriadeľ ≤ 10 kg
- Radiálna vôľa ≤ 0,05 mm
- Osová vôľa ≤ 0,3 mm
- Prevádzková teplota -10...60 °C
- Relatívna vlhkosť 20...85 %
| Prevodový pomer | 5:1 | 14:1 | 19:1 | 27:1 | 51:1 | 71:1 | 100:1 | 189:1 | 516:1 | 721:1 |
|---|---|---|---|---|---|---|---|---|---|---|
| Max. trvalý moment [kg-cm] | 2,0 | 3,0 | 3,0 | 4,0 | 6,0 | 6,0 | 8,0 | 10,0 | 10,0 | 10,0 |
| Účinnosť [%] | 80 | 70 | 70 | 70 | 60 | 60 | 60 | 50 | 50 | 50 |
| Dĺžka L [mm] | 23,6 | 30 | 30 | 30 | 36,4 | 36,4 | 36,4 | 42,8 | 42,8 | 42,8 |
Vlastnosti motora
| Men. napätie [V] | Men. moment [g-cm] | Men. otáčky [ot/min] | Men. prúd [mA] | Otáčky naprázdno [ot/min] | Prúd naprázdno [mA] | Men. výkon [W] |
|---|---|---|---|---|---|---|
| 12 | 110 | 5950 | ≤900 | 7300 | ≤150 | 7,0 |
| 24 | 130 | 6160 | ≤500 | 7300 | ≤80 | 8,5 |
