Hlavná stránka >
Jednosmerné motory s čelnou prevodovkou >
Séria SG371
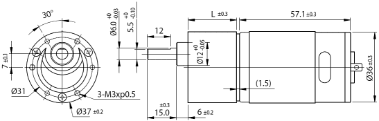
DC motor série SG371 s čelnou prevodovkou
- Jednosmerný komutátorový motor s uhlíkovými zberačmi
- Obsahuje filter potláčajúci elektromagnetické rušenie
- K dispozícii taktiež verzia s enkóderom
- Čelná prevodovka s kovovými ozubenými kolieskami (kromě prvního stupně)
- Z dôvodu zníženia hlučnosti sú ozubená kolieska prvého stupňa prevodovky z bakelitu
- Výstupný hriadeľ je uložený v klznom ložisku
Vlastnosti motora s prevodovkou
| Prevodový pomer | 10:1 | 18:1 | 30:1 | 50:1 | 60:1 | 75:1 | 90:1 | 100:1 | 120:1 | 150:1 | 180:1 | |
|---|---|---|---|---|---|---|---|---|---|---|---|---|
| 12 V | Men. moment [kg-cm] | 1,0 | 1,0 | 2,0 | 3,0 | 3,0 | 4,0 | 4,0 | 6,0 | 6,0 | 6,0 | 6,0 |
| Men. otáčky [ot/min] | 528 | 313 | 185 | 109 | 95 | 76 | 63 | 55 | 47 | 36 | 31,5 | |
| 24 V | Men. moment [kg-cm] | 1,0 | 1,0 | 2,0 | 3,0 | 3,0 | 4,0 | 4,0 | 6,0 | 6,0 | 6,0 | 6,0 |
| Men. otáčky [ot/min] | 532 | 315 | 186 | 111 | 96 | 77 | 64 | 55,5 | 48 | 36 | 32 | |
| Hmotnosť [g] | 306 | 313 | 313 | 320 | 320 | 320 | 320 | 320 | 326 | 326 | 326 | |
| Prevodový pomer | 200:1 | 250:1 | 300:1 | 500:1 | 600:1 | 750:1 | 1000:1 | 1500:1 | 3000:1 | |
|---|---|---|---|---|---|---|---|---|---|---|
| 12 V | Men. moment [kg-cm] | 6,0 | 6,0 | 6,0 | 6,0 | 6,0 | 6,0 | 6,0 | 6,0 | 6,0 |
| Men. otáčky [ot/min] | 29 | 22,5 | 19,5 | 11,5 | 9,8 | 8,0 | 5,9 | 3,9 | 2,0 | |
| 24 V | Men. moment [kg-cm] | 6,0 | 6,0 | 6,0 | 6,0 | 6,0 | 6,0 | 6,0 | 6,0 | 6,0 |
| Men. otáčky [ot/min] | 29,5 | 23 | 20 | 11,8 | 9,9 | 8,0 | 6,0 | 4,0 | 2,0 | |
| Hmotnosť [g] | 326 | 326 | 326 | 332 | 332 | 332 | 332 | 340 | 340 | |

Vlastnosti prevodovky
- Vôľa naprázdno ≤ 2 °
- Radiálne zaťaženie ≤ 1 kg (10 mm od príruby)
- Axiálne zaťaženie ≤ 0,7 kg
- Sila pri lisovaní na hriadeľ ≤ 20 kg
- Radiálna vôľa ≤ 0,05 mm
- Osová vôľa ≤ 0,35 mm
- Prevádzková teplota -10...60 °C
- Relatívna vlhkosť 20...85 %
| Prevodový pomer | 10:1 | 18:1 | 30:1 | 50, 60:1 | 75, 90:1 | 100:1 | 120, 150, 180, 200, 250, 300:1 |
500, 600, 750, 1000:1 |
1500, 3000:1 |
|---|---|---|---|---|---|---|---|---|---|
| Max. trvalý moment [kg-cm] | 1,0 | 1,0 | 2,0 | 3,0 | 4,0 | 6,0 | 6,0 | 6,0 | 6,0 |
| Účinnosť [%] | 81 | 73 | 73 | 66 | 66 | 66 | 59 | 53 | 48 |
| Dĺžka L [mm] | 19,5 | 22,0 | 22,0 | 24,5 | 24,5 | 24,5 | 27,0 | 29,5 | 32,0 |
Vlastnosti motora
| Men. napätie [V] | Men. moment [g-cm] | Men. otáčky [ot/min] | Men. prúd [mA] | Otáčky naprázdno [ot/min] | Prúd naprázdno [mA] | Men. výkon [W] |
|---|---|---|---|---|---|---|
| 12 | 250 | 4930 | ≤1600 | 6000 | ≤250 | 12,8 |
| 24 | 240 | 5150 | ≤750 | 6000 | ≤130 | 12,7 |

Vlastnosti enkodéra
- Magnetický enkodér s hallovými sondami
- Dva senzory vzájomne posunuté o 90 °
- Výstup je zapojený ako otvorený kolektor
- 7 pulzov na otáčku motoru (PPR) a senzor
- Napájacie napätie 3,5 až 20 V
- Dĺžka krytu enkodéra (D) 13,5 mm
- Ku konektoru ponúkame vhodné vidlice do plošného spoja