Hlavná stránka >
Jednosmerné motory s čelnou prevodovkou >
Séria SG370
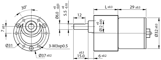
DC motor série SG370 s čelnou prevodovkou
- Jednosmerný komutátorový motor s uhlíkovými zberačmi
- Obsahuje filter potláčajúci elektromagnetické rušenie
- K dispozícii taktiež verzia s enkóderom
- Čelná prevodovka s kovovými ozubenými kolieskami (kromě prvního stupně)
- Z dôvodu zníženia hlučnosti sú ozubená kolieska prvého stupňa prevodovky z bakelitu
- Výstupný hriadeľ je uložený v klznom ložisku
Vlastnosti motora s prevodovkou
| Prevodový pomer | 10:1 | 18:1 | 30:1 | 50:1 | 60:1 | 75:1 | 90:1 | 100:1 | 120:1 | 150:1 | 180:1 | |
|---|---|---|---|---|---|---|---|---|---|---|---|---|
| 12 V | Men. moment [kg-cm] | 0,5 | 0,8 | 1,3 | 2,0 | 2,4 | 2,9 | 3,5 | 3,9 | 4,2 | 5,3 | 6,0 |
| Men. otáčky [ot/min] | 490 | 270 | 168 | 100 | 84 | 67 | 57 | 51 | 42,5 | 34 | 29 | |
| 24 V | Men. moment [kg-cm] | 0,5 | 0,8 | 1,4 | 2,0 | 2,4 | 3,0 | 3,6 | 4,0 | 4,4 | 5,4 | 6,0 |
| Men. otáčky [ot/min] | 480 | 250 | 160 | 98 | 83 | 65 | 56 | 50 | 41,5 | 33 | 28,5 | |
| Hmotnosť [g] | 161 | 168 | 168 | 175 | 175 | 175 | 175 | 181 | 181 | 181 | 181 | |
| Prevodový pomer | 200:1 | 250:1 | 300:1 | 500:1 | 600:1 | 750:1 | 1000:1 | 1500:1 | 3000:1 | |
|---|---|---|---|---|---|---|---|---|---|---|
| 12 V | Men. moment [kg-cm] | 6,0 | 6,0 | 6,0 | 6,0 | 6,0 | 6,0 | 6,0 | 6,0 | 6,0 |
| Men. otáčky [ot/min] | 26 | 22 | 19 | 11,2 | 9,5 | 8,0 | 6,0 | 4,1 | 2,0 | |
| 24 V | Men. moment [kg-cm] | 6,0 | 6,0 | 6,0 | 6,0 | 6,0 | 6,0 | 6,0 | 6,0 | 6,0 |
| Men. otáčky [ot/min] | 26 | 22 | 19 | 11 | 9,3 | 7,9 | 5,9 | 4,0 | 2,0 | |
| Hmotnosť [g] | 181 | 181 | 181 | 187 | 187 | 187 | 187 | 195 | 195 | |

Vlastnosti prevodovky
- Vôľa naprázdno ≤ 2 °
- Radiálne zaťaženie ≤ 1 kg (10 mm od príruby)
- Axiálne zaťaženie ≤ 0,7 kg
- Sila pri lisovaní na hriadeľ ≤ 20 kg
- Radiálna vôľa ≤ 0,05 mm
- Osová vôľa ≤ 0,35 mm
- Prevádzková teplota -10...60 °C
- Relatívna vlhkosť 20...85 %
| Prevodový pomer | 10:1 | 18:1 | 30:1 | 50, 60:1 | 75, 90:1 | 100:1 | 120, 150, 180, 200, 250, 300:1 |
500, 600, 750, 1000:1 |
1500, 3000:1 |
|---|---|---|---|---|---|---|---|---|---|
| Max. trvalý moment [kg-cm] | 1,0 | 1,0 | 2,0 | 3,0 | 4,0 | 6,0 | 6,0 | 6,0 | 6,0 |
| Účinnosť [%] | 81 | 73 | 73 | 66 | 66 | 66 | 59 | 53 | 48 |
| Dĺžka L [mm] | 19,5 | 22,0 | 22,0 | 24,5 | 24,5 | 24,5 | 27,0 | 29,5 | 32 |
Vlastnosti motora
| Men. napätie [V] | Men. moment [g-cm] | Men. otáčky [ot/min] | Men. prúd [mA] | Otáčky naprázdno [ot/min] | Prúd naprázdno [mA] | Men. výkon [W] |
|---|---|---|---|---|---|---|
| 12 | 60 | 5100 | ≤470 | 6200 | ≤120 | 3,14 |
| 24 | 62 | 5000 | ≤210 | 6200 | ≤60 | 3,17 |

Vlastnosti enkodéra
- Magnetický enkodér s hallovými sondami
- Dva senzory vzájomne posunuté o 90 °
- Výstup je zapojený ako otvorený kolektor
- 7 pulzov na otáčku motoru (PPR) a senzor
- Napájacie napätie 3,5 až 20 V
- Dĺžka krytu enkodéra (D) 14,3 mm
- Ku konektoru ponúkame vhodné vidlice do plošného spoja