Hlavná stránka >
Jednosmerné motory s čelnou prevodovkou >
Séria SG300
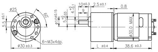
DC motor série SG300 s čelnou prevodovkou
- Jednosmerný komutátorový motor s uhlíkovými zberačmi
- Obsahuje filter potláčajúci elektromagnetické rušenie
- Čelná prevodovka s kovovými ozubenými kolieskami (kromě prvního stupně)
- Z dôvodu zníženia hlučnosti sú ozubená kolieska prvého stupňa prevodovky z bakelitu
- Výstupný hriadeľ je uložený v klznom ložisku
Vlastnosti motora s prevodovkou
| Prevodový pomer | 20:1 | 30:1 | 50:1 | 60:1 | 75:1 | 100:1 | 150:1 | |
|---|---|---|---|---|---|---|---|---|
| 12 V | Men. moment [kg-cm] | 1,0 | 1,5 | 2,0 | 2,0 | 3,0 | 3,0 | 4,0 |
| Men. otáčky [ot/min] | 255 | 168 | 107 | 91 | 73 | 56 | 37,5 | |
| 24 V | Men. moment [kg-cm] | 1,0 | 1,5 | 2,0 | 2,0 | 3,0 | 3,0 | 4,0 |
| Men. otáčky [ot/min] | 258 | 168 | 107 | 91 | 73 | 56 | 37,4 | |
| Hmotnosť [g] | 162 | 162 | 162 | 162 | 162 | 162 | 171 | |
| Prevodový pomer | 180:1 | 250:1 | 400:1 | 600:1 | 900:1 | |
|---|---|---|---|---|---|---|
| 12 V | Men. moment [kg-cm] | 4,5 | 4,5 | 4,5 | 4,5 | 4,5 |
| Men. otáčky [ot/min] | 32 | 24 | 15,2 | 10,4 | 6,9 | |
| 24 V | Men. moment [kg-cm] | 4,5 | 4,5 | 4,5 | 4,5 | 4,5 |
| Men. otáčky [ot/min] | 31,8 | 24 | 15,1 | 10,3 | 6,9 | |
| Hmotnosť [g] | 171 | 171 | 171 | 171 | 171 | |

Vlastnosti prevodovky
- Vôľa naprázdno ≤ 2 °
- Radiálne zaťaženie ≤ 0,8 kg (10 mm od príruby)
- Axiálne zaťaženie ≤ 0,6 kg
- Sila pri lisovaní na hriadeľ ≤ 10 kg
- Radiálna vôľa ≤ 0,05 mm
- Osová vôľa ≤ 0,35 mm
- Prevádzková teplota -10...60 °C
- Relatívna vlhkosť 20...85 %
| Prevodový pomer | 20:1 | 30:1 | 50, 60:1 | 75, 100:1 | 150:1 | 180, 250, 400, 600, 900:1 |
|---|---|---|---|---|---|---|
| Max. trvalý moment [kg-cm] | 1,0 | 1,5 | 2,0 | 3,0 | 4,0 | 4,5 |
| Účinnosť [%] | 66 | 66 | 66 | 66 | 53 | 53 |
| Dĺžka L [mm] | 23 | 23 | 23 | 23 | 28 | 28 |
Vlastnosti motora
| Men. napätie [V] | Men. moment [g-cm] | Men. otáčky [ot/min] | Men. prúd [mA] | Otáčky naprázdno [ot/min] | Prúd naprázdno [mA] | Men. výkon [W] |
|---|---|---|---|---|---|---|
| 12 | 78 | 5290 | ≤530 | 6500 | ≤150 | 4,22 |
| 24 | 74 | 5250 | ≤250 | 6500 | ≤85 | 3,97 |
