Hlavná stránka >
Lineárne aktuátory >
Séria LD20
Lineárny aktuátor série LD20
- Lineárny aktuátor s jednosmerným motorom
- Trapézová (ACME) skrutka
- Celokovová čelná prevodovka
- Integrované spínače krajných polôh
- Nastavenie smeru pohybu piestu pomocou zmeny polarity napätia
- Stupeň krytia IP65
- Hlučnosť ≤70 dB
Možné úpravy: dĺžka zdvihu, dĺžka vodičov, napájacie napätie 36 nebo 48 V, priemer otvoru v pieste...
Parametre aktuátora
| Prevodový pomer | 10:1 | 20:1 | 30:1 | 40:1 | 50:1 | |||||
|---|---|---|---|---|---|---|---|---|---|---|
| Maximálna sila | 500 N | 1000 N | 1500 N | 2000 N | 2500 N | |||||
| Rýchlosť pri max. zaťažení | 18,7 mm/s | 10,7 mm/s | 7,2 mm/s | 5,7 mm/s | 4,4 mm/s | |||||
| Statické zaťaženie | 1500 N | 4500 N | 4500 N | 4500 N | 4500 N | |||||
| Napätie | 12 V | 24 V | 12 V | 24 V | 12 V | 24 V | 12 V | 24 V | 12 V | 24 V |
| Prúd pri menovitom zaťažení | 4,4 A | 2,4 A | 4,6 A | 2,3 A | 4,3 A | 2,3 A | 4,5 A | 2,0 A | 4,1 A | 2,2 A |
Prevádzkové podmienky
- Zaťažovateľ: 25 % (1 min. nepretržitej prevádzky v cykle 4 min.)
- Životnosť: min. 4 000 000 mm
- Prevádzková teplota: -25...+65 °C
- Teplotná trieda izolácie: F (155 °C)
Materiál
- Kovové ozubené kolesá
- Vonkajšia trubica a piestnica: eloxovaný hliník
- Kryt prevodovky a motora: zliatina zinku
- Oceľová skrutka s plastovou maticou
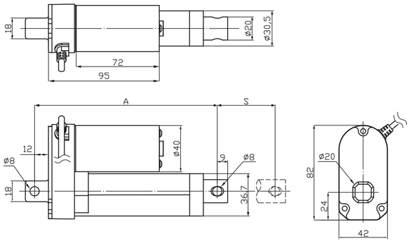
Rozmery
| Zdvih S [mm] | 100 | 150 | 200 | 250 | 300 |
|---|---|---|---|---|---|
| Dĺžka v zasunutom stave A [mm] | 205 | 255 | 305 | 355 | 405 |
| Hmotnosť [g] | 980 | 1070 | 1160 | 1170 | 1370 |

- Tolerancia zdvihu ±3,0 mm
- Dĺžka napájacieho kábla 900 mm

Príslušenstvo